Наблюдаемая геология Марса

Автор iaia, 23.02.2004 23:11:56

« назад - далее »

0 Пользователи и 4 гостей просматривают эту тему.

iaia

ЦитироватьНемного про равнины.
 Вроде бы по общепринятому мнению северные равнины Марса по своей морфологии сильно напоминают лунные моря, то бишь большие депрессии залитые базальтовой лавой. Рапзные там волнистые складки на поверхности и прочие эффекты говорят о том, что северные равнины это поля застывшей базальтовой лавы. Какихто наслоений наносных пород на них по большому счёту не наблюдается. Только ближе к полярной шапке наблюдаются поля дюн или что в этом духе.
 Среди южных кратерированных плато наблюдаются выровненные участуи лишённые кратеров. Выглядят они так, какм будьто чтото залило кратеры поверх. На одном из таких участков и сел Опортунист. Хорошо видно, что он сел на ровном участке перекрывающем северную часть вала крупного кратера.

Еше раз говорю, есть мнение что по Долинам текли лавы, они оказывали эрозионное оздействие, т. е.  ассимилировали материал, частично образуя эти самые долины. Против такого, я как раз не возражаю. Вода, лава какая ... разница. Это не значит, что то что выносилось, не накапливалось на северных равнинах (искл. массоперенос был).

Старый

ЦитироватьЕше раз говорю, есть мнение что по Долинам текли лавы

 А нет мнения что по ним тёк спирт? ;) Чистый, этиловый?  8) :)

 Прокомментируйте лучше тезис о том, что Опортунист сел на некоем застывшем потоке, перекрывающем крупный кратер?
1. Ангара - единственная в мире новая РН которая хуже старой (с) Старый Ламер
2. Назначение Роскосмоса - не летать в космос а выкачивать из бюджета деньги
3. У Маска ракета длиннее и толще чем у Роскосмоса
4. Чем мрачнее реальность тем ярче бред (с) Старый Ламер

iaia

Цитировать
ЦитироватьЕше раз говорю, есть мнение что по Долинам текли лавы

 А нет мнения что по ним тёк спирт? ;) Чистый, этиловый?  8) :)

 Прокомментируйте лучше тезис о том, что Опортунист сел на некоем застывшем потоке, перекрывающем крупный кратер?

Застывшем потоке ЧеГО?
Есть генетическая нагрузка, котрую несет тип слоистости.
Я, наконец, углядел полого-пересекающуюся слоистость с волнисто-параллельными слойками в серии. На Земле это означает: рыхлый материал отлагался в водоеме со слабым и весьма постоянным придонным течением. Кабы не было волнистости, можно предполагать и эоловый генезис. Но в данном случае (в случае Марса), низкая энергетика атмосферы, как раз позволяет формирование ряби, такого порядка, на поверхности дюн. Т.е. принципиально, слоистость может указывать на осаждение в континентальных условиях из атмосферы.
Это ни в какой мере не противоречит образованию конкреций и, вообще, литификации, процессам - требующим обводненности.
На Земле не редки эоловые отложения, литифицированные эпигенетически. Смущает только обилие солей.
Например, икшинская свита. Слагает верхнюю часть разреза, в карьере близ г.Люберцы (Моск.обл.). Первоначально эоловые (по мнению некоторых специалистов) пески, средне-сцементированы, в них образованы Fe-конкреции.

В общем - выбирайте. Либо мелкое озеро (мне лично представляется наиболее вероятным, я считаю что Марс сухой уже очень давно, и что он эфемерно обводнился, во время вулканической активизации), либо эоловый с последующей "заливкой" (напр, погружением в зону грунтовых вод).

А застывшие потоки ОБЯЗАТЕЛЬНО имеют текстуры типа флюидальности.

Старый

ЦитироватьЗастывшем потоке ЧеГО?

 Да откуда ж я знаю? Я-то уверен что лёд, но все остальные говорят - лава.
1. Ангара - единственная в мире новая РН которая хуже старой (с) Старый Ламер
2. Назначение Роскосмоса - не летать в космос а выкачивать из бюджета деньги
3. У Маска ракета длиннее и толще чем у Роскосмоса
4. Чем мрачнее реальность тем ярче бред (с) Старый Ламер

Старый

Цитироватьэоловые отложения, литифицированные эпигенетически.
Вы сами то поняли чего сказали? ;)  :o  :o  :o  :shock:  :?
1. Ангара - единственная в мире новая РН которая хуже старой (с) Старый Ламер
2. Назначение Роскосмоса - не летать в космос а выкачивать из бюджета деньги
3. У Маска ракета длиннее и толще чем у Роскосмоса
4. Чем мрачнее реальность тем ярче бред (с) Старый Ламер

Старый

Иа, я вот про что имел в виду. Вот карта места посадки:
http://marsoweb.nas.nasa.gov/landingsites/mer2003/topsites/final/Hematite/maps/Hematite_small.jpg
 Левую нижнюю часть снимка занимает полуразрушеный вал большого древнего кратера (закрашен красным, внутренность кратера - зелёным). Его (вала кратера) северовосточный сектор не виден, ибо перекрыт какимто наслоением. Именно на этом наслоении, какраз в том месте где должен быть северо-восточный сектор вала кратера, и расположен посадочный элипс.  Как вы прокомментируете: что это за наслоение?
 Обратите внимание на рельеф: место посадки находится на пологом склоне, уклон на запад и на юг. Если бы там был водоём, то почему он не стёк под уклон?
 Но про уклон пока не грузитесь, скажите про застывший поток перекрывший кратер?
1. Ангара - единственная в мире новая РН которая хуже старой (с) Старый Ламер
2. Назначение Роскосмоса - не летать в космос а выкачивать из бюджета деньги
3. У Маска ракета длиннее и толще чем у Роскосмоса
4. Чем мрачнее реальность тем ярче бред (с) Старый Ламер

Motor

Похоже как будто что-то текло справа налево, размыв северо-восточный край кратера (немного и в сам кратер натекло). Размыло конкретно так (слой ниже чем стенки). Но от северо-восточной стенки кратера вроде осталось немножко. Странно только, справа нет никаких вулканов, просто возвышенность, вроде бы лаве там течь неоткуда. Думаете, это лед так "сточил" кратер? Или сама кромка кратера ледяная?

Извините что встрял.

iaia

К сказанному:
Вы понимаете то, что выровненный рельеф здесь уже достаточно древний, и то, что "горизонтально" сейчас, вовсе могло не быть горизонтальным ранее. Тектоника, однако, 1-2 градуса сущая ерунда даже для сверх спокойных областей! Вообще, не хочу над этим думать (мало фактов). Есть некий чехол, неких осадков... что за чехол? Кое-что можно постараться у него выпытать:

Экстраполируем геологическую ситуацию непосредственно в р-н посадки О.

Хочу обратить Ваше внимание на термоэмиссионные снимки.




Помните я предлагал последовательность?
1 накопление осадков ("слоеный пирог" с горизонтальной слоистостью).
2 литификация их (превращение в породу, рост конкреций и др)
3 через неопр время - возникновение складчатости (в результате: горизонтальные, изначально, слои наклоняются в разные стороны, а там где они вздыбились - цепи невысоких гор)
4 пенипленизация - выравнивание воздымающихся, и сл-но - неравновесных, участков (наиболее устойчивые пласты и по-сей день образуют цепи моноклинальных гребней)
6 Формирование коры выветривания поверх наклонно (складчато) залегающих пород. (Матрикс породы при этом разрушается, а "шарики" накапливаются, как наиболее физически и химически устойчивый элемент. Кроме шариков есть еще что-то устойчивое.)
7 Возникновение ударного кратера, пробившего кору выветривания и вскрывшего слоистые толщи.
8 Выветривание пород современное (с поверхности, обнажившейся в кратере) и накопление устойчивых продуктов на дне кратера.

Ответьте, как говориться, сами:
А) что еще накапливалось в древней коре выветривания, кроме серо-содержащих шариков?
Б) отличается древняя кора выветривания от продуктов современного выветривания (а сл-но и процессы их сфрмировавшие).

Если допустить, что гематит - это действительно ОН.

iaia

Перетащено из Океана.

Цитироватьto Bell и Старый

Ваши мнения как всегда "совпали"! :)
Когда Вы спорите, "Кривое зеркало" отдыхает... :)

SergeyB писал:
ЦитироватьМожно ли с орбитальных аппаратов определенно отличить вулканические породы от метеоритных?
Интересно, а что по этому поводу думает iaia?

Т.к. Марс дифференциирован слабо, но все-таки дифференциирован, то, даже предположив, что средний состав метеоритов совпадает со средним составом вулканитов на поверхности, получаем: в случае метеоритной присыпки поверхность достаточно гомогенна, с точки зрения орбитальных исследований. В случае вулкпанитов - будут наблюдаться (и, как мы видим, наблюдаются) региональные структурные мотивы (потоки. трапповые плато и прочая ...)



Кстати, то что видит Спирит, не может быть обломками метеоритов, даже если будет установлено химическое подобие. Структуры и текстуры пород соответствуют породам излившимся, я даже гидротермальную жилку углядел. Хотя, пара бульников округлой формы вполне тянут на метеориты, так... внешне... бездоказательно.
Они, кстати, эти бульники более поздние, их ветром не огранило. Темные такие.

Bell

Во-во - "Марс слабо дифференциирован". Я уж когда об этом говорил? Потому  и железа на поверхности полно, метеориты совсем не причем (тем более, что большинство из них  - каменные).
Иаиа, про равномерность метеритной присыпки вы архиправильно заметили. Даже не вдаваясь в химический анализ пород на поверхности видно, что они РАЗНЫЕ в разных частях Марса.

Из топика про океан
Цитировать1. Скорее противникам. Как объяснить отсутствие смещения центра тяжести Марса при наличии возвышенностей на юге и углублений на севере? Я так понимаю, что возвышение дается относительно сферы, которая расположена на каком-то среднем расстоянии от центра тяжести. Соответственно, если предположить, что возвышенности на юге сделаны из скальных пород, то тогда бы центр тяжести должен бы был сместиться на юг, и привести к примерному выравниванию уровней полюсов; т. е. уступ примерно в районе екватора должен бы был остаться, а вот полюса быть на примерно одинаковом уровне. Или данные различия (в несколько км) очень незначительны и ими можно принебречь (объяснив небольшими вариациями плотности породы)?
Земля, на мой взгляд, более сбалансированно смотрится.

"Южный материк" выше Северного бассейна всего на 0,001 радиуса и сложен  легкими породами (относительно средней плотности планеты, в том числе мантии и ядра). Так что центр тяжести Марса, конечно, смещен, но совсем чуть-чуть.
С другой стороны, как я уже неоднократно упоминал, на Марсе есть ОГРОМНЫЕ гравитационные аномалии, которые даже на высоте ок. 300 км превышают аналогичные земные (на поверхности) в 17 раз! Будете смеяться, но одна из них (ессно, положительная) - Олимп, другая (судя по карте - крупнейшая отрицательная) - долина Маринера.

см. гравитационную карту в моем исполнении: http://www.temp-nk.narod.ru/0001.jpg
Оригинал: http://www.astrolab.ru/galery/9/00000029.jpg

Повторяю - отрицательная гравитационная аномалия, явно приуроченная к долине Маринера по всей протяженности, сопоставима (если не превышает) таковые аномалии в районах земных океанических желобов, типа Марианской впадины. Если кто (кроме Старого) не в курсе - Марианская впадина является геологическим образованием.

Короче, явное противоречие:
Если ледяной океан в силу относительно малой плотности и массы не оказывает влияния на общий гравитационный фон (нет четкой разницы между Югом и Севером), то почему этот фон так сильно нарушает относительно небольшая проталина?

Кстати, Иаиа, не знаю вашего мнения об этом. Было бы интересно.
Иногда мне кажется что мы черти, которые штурмуют небеса (с) фон Браун
А гвоздички-то были круглые (с) Брестская крепость

X

ЦитироватьСтарый:
Ну ладно, давайте немного конструктива.

Конструктива не много

Старый> В одном месте процесс разрушения как бы прорвался с низменностей в сердце кратерированной равнины, образовав гигантский овраг – долину Маринера. Куда делся грунт из долины Маринера – тоже непонятно.

Он никуда не девался- это разлом коры.

Старый> С кратерированной равниной связаны различные проявления воды. В основном это следы широких поверхностных потоков, расположенных вблизи планетарного уступа и направленных с равнины к низменности, так называемые «катастрофические потоки».

А также следы движения ледников.

Старый>Кроме того, на северных краях равнины имеются гигантские щитовые вулканы.

Предполагается, что катастрофические флювиальные потоки по большей части связаны с прошлым вулканизмом (см. Касей и Сирт)
Образование вулканов и гиганские разломы коры могут быть связаны с падением астероида с образованием гиганского кратера Хеллас (Эллада)


Старый>1. Куда делся грунт из долины Маринера?

Это разлом коры

Старый>2. Куда провалился грунт в «изъеденных местностях»?

Не провалился, а вынесен ледниками и флювиальными потоками

Старый>3. Откуда взялась вода, образовавшая «катастрофические потоки»

Из криолитосферы, локально растопленной вулканизмом. Когда тает вечная мерзлота в Арктике, что образуется? - правильно - жидкая грязь.

Старый>4. И вообще как возник такой тип поверхности – две разновысотные равнины, разделённые планетарным уступом?
На четвёртый вопрос наиболее вероятным считался ответ: «кратерированная равнина это материк, а песчаная низменность – дно высохшего океана». Но съёмки с Глобал Сервейера не нашли никаких подтверждений этой гипотезы.

Именно нашли.

Старый> Ну а теперь настало время высказать свою гипотезу, на мой взгляд наиболее непротиворечиво объясняющую все эти факты. Это конечно трудно сразу воспринять, но кратерированная равнина это не материк. Это оставшийся не разрушенным многокилометровый слой льда - замёрзший океан.

Нет. Криолитосфера-да, океана там нет. Есть грунт в виде вечной мерзлоты, есть подпочвенные слои замезших грунтовых вод в виде льда, есть грунтовые воды на бОльшей глубине в жидком виде. Значительных слоев чистого льда (которые можно было бы назвать замерзшим океаном), кроме как на полярных шапках, - нет. См. результаты картографии воды нейтронным детектором HEND на КА "Одиссей"

Старый> Песчаные низменности это дно океана, с которого слой льда уже испарился.


Нет, именно здесь, выше 40-50 гр северной и ниже 50-60 гр южной широты есть вода в виде вечной мерзлоты

Старый>Планетарный уступ это то место, где идёт процесс испарения замерзшего океана, уносящий с лица планеты многокилометровый слой льда.

Нет. Именно здесь воды практически нет, кроме пары экваториальных районов - кратер Гусева и Меридианы, куда летят амерские роверы.

Ваша "теория" изначально не верна.

nognucbIBai0cb  nog  ka>kgbIM  c/\oBoM  AHDPOHA.

Ho  cnopuT co  CTAPbIM u 4uTaTb ero  u3MbIw/\eHuR  Bce  paBHo  uHTepecHo.
[/color]

X

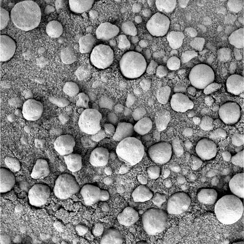
Spherules found at Meridiani Planum are composed largely of hematite mineral - another piece of the puzzle that points to a watery past at this location.

VA

Нашлись конкретные примеры, где Valles Marineris сравнивают с существующими земными объектами, а именно с Azas Plateau in the Tuva Republic.

"SUBICE VOLCANISM ON THE AZAS PLATEAU: A COMPARISON WITH POSSIBLE MARTIAN TUYAS."
www.lpi.usra.edu/meetings/lpsc2002/pdf/1262.pdf

"GEOLOGICAL PROCESSES IN THE BAIKAL RIFT ZONE: POSSIBLE TERRESTRIAL ANALOGS FOR THE VALLES MARINERIS REGION ON MARS."
www.lpi.usra.edu/meetings/lpsc2003/pdf/1314.pdf

Есть несколько фотографий, но так себе. Вышла также полная статья с хорошими иллюстрациями, но она не в свободном доступе:

Interior layered deposits of Valles Marineris, Mars: analogous subice volcanism related to Baikal Rifting, Southern Siberia
Komatsu G, Ori GG, Ciarcelluti P, Litasov YD

Ori GG, кстати, один из MARSIS scientific team.


Перенесу сюда также ссылку про ледники:
Terrestrial analogs of Martian radar targets from the Dry Valleys, Antarctica
http://www.ig.utexas.edu/research/projects/mars/index.htm
VA

iaia

Интересные статейки... но мы ведь тож не казявки хряпаем.

Предлагаю подумать как такое может быть:
1. Сейчас днем на Марсе практически самый высокий прогрев поверхности (или я ошибаюсь?).
2. На всех микро-снимках грунта видно что "шарики", безусловно за счет термического расширения раздвигали песок вокруг себя.
3. Но сейчас они меньше....
4. Бывало настолько теплее? Прикиньте, плз, кто-нить К термического расширения и сравните с гематитом (любопытно а времени нет).


МиГ-31

Это они дышат. Сейчас у них выдох. :D
Даешь Старого по-новой!

X

ЦитироватьЭто они дышат. Сейчас у них выдох. :D

Ha  caMoM  ge/\e  oHu  6bI/\u  npugaB/\eHbI  npu6opoM.
TaM  rge  aHa/\u3aTop ux He kaca/\cR  Hukakux 3a3opoB.
Hukakoro gbIxaHuR.
Hukakoro pacwupeHuR.
Sorry.... :wink:

Bell

Не. Это так обдуло ветром, есть такой эффект. Я очень сомневаюсь, что шарики настолько сильно могут "температурно расширяться"
Иногда мне кажется что мы черти, которые штурмуют небеса (с) фон Браун
А гвоздички-то были круглые (с) Брестская крепость

X

ЦитироватьНе. Это так обдуло ветром, есть такой эффект. Я очень сомневаюсь, что шарики настолько сильно могут "температурно расширяться"

He  coMHeBau'cR  oHu 6bI/\u  npugaB/\eHbI Mecc6aypom.

Старый

Джентльмены, а откудпа дровишки что марс слабо диффиренцирован? Только из наличия железа на поверхности?
1. Ангара - единственная в мире новая РН которая хуже старой (с) Старый Ламер
2. Назначение Роскосмоса - не летать в космос а выкачивать из бюджета деньги
3. У Маска ракета длиннее и толще чем у Роскосмоса
4. Чем мрачнее реальность тем ярче бред (с) Старый Ламер

Marmot

Вот тут: http://photojournal.jpl.nasa.gov/jpeg/PIA05059.jpg есть картинка окрестностей Спирита с очень большим разрешением.

Вопрос: откуда на дне кратера могут возникнуть холмы?!!!
Это же кратер, дырка в земле, вернее в марсе! :shock: