Perseverance (Mars 2020 rover) - Atlas V 541 - Canaveral SLC-41 - 30.07.2020

Автор che wi, 31.07.2014 20:22:45

« назад - далее »

0 Пользователи и 5 гостей просматривают эту тему.

andr59

#10280
Вчера, 18 августа ( 1598 сол), ровер не ездил, но снимал:


ЦитироватьМарсоход NASA Perseverance получил это изображение с помощью бортовой левой навигационной камеры (Navcam). Камера расположена высоко на мачте марсохода и помогает управлять им.
Это изображение было получено 18 августа 2025 года (1598 сол) в 11:55:05 по местному солнечному времени.
Источник изображения: NASA/JPL-Caltech
https://mars.nasa.gov/mars2020/multimedia/raw-images/NLF_1598_0808799966_346EBY_N0783588SCAM02598_00_0LLJ

 Пол Бирн -- Paul Byrne
‪@theplanetaryguy.bsky.social‬,
доцент университета в Сент Луисе, он же директор центра геонаук планетной системы данных (т.е. понимает, о чем говорит)  по поводу этих  камней написал:

"Возможно вулканическое, несомненно древнее, сфотографированное вчера, 18 августа 2025 года"

andr59

19 августа (1599 сол) пейзаж поменялся:


ЦитироватьМарсоход NASA Perseverance получил это изображение с помощью правой камеры Mastcam-Z. Mastcam-Z — это пара камер, расположенных высоко на мачте марсохода.
Это изображение было получено 19 августа 2025 года (1599 сол) в 14:14:44 по местному среднему солнечному времени.
Источник изображения: NASA/JPL-Caltech/ASU
https://mars.nasa.gov/mars2020/multimedia/raw-images/ZR0_1599_0808897337_285EBY_N0783588ZCAM09666_1100LMJ

andr59

#10282
Ровер никуда не двинулся, и 20 августа (1600 сол) вероятно изучал  большие плоские белые камни, которые возможно имеют вулканическое происхождение:


ЦитироватьМарсоход NASA Perseverance получил это изображение с помощью правой навигационной камеры (Navcam). Камера расположена высоко на мачте марсохода и помогает управлять им.
Это изображение было получено 20 августа 2025 года (1600 сол) в 12:19:00 по местному среднему солнечному времени.
Источник изображения: NASA/JPL-Caltech
https://mars.nasa.gov/mars2020/multimedia/raw-images/NRF_1600_0808978988_925ECM_N0783588NCAM00709_03_095J

andr59

#10283
Под углом:


ЦитироватьМарсоход NASA Perseverance получил это изображение с помощью левой навигационной камеры (Navcam). Камера расположена высоко на мачте марсохода и помогает управлять им.
Это изображение было получено 20 августа 2025 года (1600 сол) в 12:19:00 по местному среднему солнечному времени.
Источник изображения: NASA/JPL-Caltech
https://mars.nasa.gov/mars2020/multimedia/raw-images/NLF_1600_0808978988_925ECM_N0783588NCAM00709_02_095J

Ровер после последнего пробега ( 17 августа , 1597 сол)  не двигался, счетчик движений остается без изменений: RMC 78.3588

andr59

#10284
Сегодня 21 августа или 1600 сол, и кажется команду марсохода заинтересовала эта порода:


ЦитироватьМарсоход NASA Perseverance получил это изображение с помощью контекстного визуализатора  SHERLOC Autofocus and Context Imager (ACI), расположенного на башне в конце роботизированной руки марсохода.
Это изображение было получено 21 августа 2025 года (1600 сол) в 20:48:36 по местному солнечному времени.
Источник изображения: NASA/JPL-Caltech
https://mars.nasa.gov/mars2020/multimedia/raw-images/SC2_1600_0809010401_660ECM_N0783588SRLC10600_0000LMJ

andr59

#10285
Та же порода, но снятая при свете светодиодных ламп (поздний вечер), теперь ее изучает SHERLOC, а WATSON снимает:


ЦитироватьМарсоход NASA Perseverance получил это изображение с помощью камеры SHERLOC WATSON, расположенной на башне на конце роботизированной руки марсохода.
Это изображение было получено 21 августа 2025 года (1600 сол) в 21:06:20 по местному солнечному времени.
Источник изображения: NASA/JPL-Caltech
https://mars.nasa.gov/mars2020/multimedia/raw-images/SIF_1600_0809011494_000EBY_N0783588SRLC08060_0000LMJ

Кажется эта порода уже встречалась...

На всякий случай напомню, что собой представляет
SHERLOC

ЦитироватьSHERLOC
Сканирование обитаемых сред с помощью рамановской спектроскопии и люминесценции на предмет наличия органических веществ и химических веществ

Установленный на роботизированной руке марсохода, SHERLOC использует камеры, спектрометры и лазер для поиска органических веществ и минералов, измененных водной средой и могущих быть признаками микробной жизни в прошлом. Помимо черно-белой контекстной камеры, SHERLOC использует цветную камеру WATSON для получения изображений крупным планом зерен горных (каменных) пород и текстур поверхности.
И т.д.
Дополнение. Этот снимок был сделан при белом светодиодном (LED) свете.



andr59

Пришли новые фотографии за 1600 сол, команда пока не решила шлифовать абразивное пятно для последующих исследований, а вместо этого был применен инструмент gDRT который предназначен для очистки камня или его фрагментов от пыли (сдувает пыль струей азота ). Похоже, вот это очищенное место на одном из камней:


ЦитироватьМарсоход NASA Perseverance получил это изображение с помощью камеры SHERLOC WATSON, расположенной на башне на конце роботизированной руки марсохода.
Это изображение было получено 20 августа 2025 года (1600 сол) в 12:44:43 по местному солнечному времени.
Источник изображения: NASA/JPL-Caltech
https://mars.nasa.gov/mars2020/multimedia/raw-images/SIF_1600_0808980570_929EBY_N0783588SRLC02500_0000LMJ

andr59

#10289
Вот как очищенное пятно выглядит через 10 минут при увеличении:


ЦитироватьМарсоход NASA Perseverance получил это изображение с помощью камеры SHERLOC WATSON, расположенной на башне на конце роботизированной руки марсохода.
Это изображение было получено 20 августа 2025 года (1600 сол) в 12:50:00 по местному солнечному времени.
Источник изображения: NASA/JPL-Caltech
https://mars.nasa.gov/mars2020/multimedia/raw-images/SIF_1600_0808980896_929EBY_N0783588SRLC00636_0000LMJ

andr59

#10290
Изучает пятно с помощью камеры SHERLOC WATSON :


ЦитироватьМарсоход NASA Perseverance получил это изображение местности перед собой с помощью бортовой передней левой камеры обнаружения препятствий A.
Это изображение было получено 20 августа 2025 года (1600 сол) в 12:51:25 по местному солнечному времени.
Источник изображения: NASA/JPL-Caltech
https://mars.nasa.gov/mars2020/multimedia/raw-images/FLF_1600_0808980987_742ECM_N0783588FHAZ00206_01_295J

andr59

#10291
Похоже край камня:


ЦитироватьМарсоход NASA Perseverance получил это изображение с помощью камеры SHERLOC WATSON, расположенной на башне на конце роботизированной руки марсохода.
Это изображение было получено 20 августа 2025 года (1600 сол) в 12:57:24 по местному солнечному времени.
Источник изображения: NASA/JPL-Caltech
https://mars.nasa.gov/mars2020/multimedia/raw-images/SIF_1600_0808981353_195EBY_N0783588SRLC01078_0000LMJ

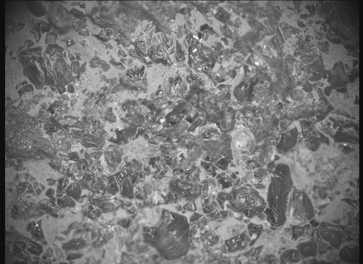
andr59

Добавили увеличение. Очищенное место стало еще ближе:


ЦитироватьМарсоход NASA Perseverance получил это изображение с помощью камеры SHERLOC WATSON, расположенной на башне на конце роботизированной руки марсохода.
Это изображение было получено 20 августа 2025 года (1600 сол) в 12:53:11 по местному солнечному времени.
Источник изображения: NASA/JPL-Caltech
https://mars.nasa.gov/mars2020/multimedia/raw-images/SIF_1600_0808981092_394EBY_N0783588SRLC00354_0000LMJ

andr59

Примечание. НАСА сначала опубликовало сегодняшние ночные снимки, а потом утренние и дневные, то есть наоборот. 

andr59

#10294
Исследовав материал белого камня, команда ровера решила двигаться дальше 21 августа 2025 на 1601 сол
Ландшафт изменился. Вот что видно за ровером, за его кормой.


ЦитироватьМарсоход NASA Perseverance получил это изображение с помощью бортовой правой навигационной камеры (Navcam). Камера расположена высоко на мачте марсохода и помогает управлять им.
Это изображение было получено 21 августа 2025 года (1601 сол) в 14:25:33 по местному солнечному времени.
Источник изображения: NASA/JPL-Caltech
https://mars.nasa.gov/mars2020/multimedia/raw-images/NRF_1601_0809075565_732ECM_N0784716NCAM02601_04_195J
Увеличение по клику.

andr59

#10295
Кое-где остаются белые плоские камни:


ЦитироватьМарсоход NASA Perseverance получил это изображение с помощью бортовой правой навигационной камеры (Navcam). Камера расположена высоко на мачте марсохода и помогает управлять им.
Это изображение было получено 21 августа 2025 года (1601-й сол) в 14:44:17 по местному среднему солнечному времени.
Источник изображения: NASA/JPL-Caltech
https://mars.nasa.gov/mars2020/multimedia/raw-images/NRF_1601_0809076720_770ECM_N0784716NCAM13601_01_195J

Счетчик движений после поездки  RMC 78.4716

andr59

Пришли обновления таблицы JSON и карты NASA/JPL M20 за 21 августа, сол 1601. Итак, в этот день (сол) ровер проехал  "dist_m": 177.908, при этом поднялся по склону на ~31 метр, и сейчас он здесь:



Карта NASA/JPL M20

andr59

#10297
Еще один снимок сделанный после подъема на юго-восток 21 августа (1601 сол) :


ЦитироватьМарсоход NASA Perseverance получил это изображение с помощью бортовой правой навигационной камеры (Navcam). Камера расположена высоко на мачте марсохода и помогает управлять им.
Это изображение было получено 21 августа 2025 года (1601 сол) в 14:28:33 по местному солнечному времени.
Источник изображения: NASA/JPL-Caltech
https://mars.nasa.gov/mars2020/multimedia/raw-images/NRF_1601_0809075750_692ECM_N0784716NCAM02601_01_195J

Stanislav.s

#10298
Панорама MastCamZ sol 1599, кликабельно. (осторожно, большой размер)


andr59

#10299
23 августа (1603 сол), находясь на склоне, ровер снимал окружающее:


ЦитироватьМарсоход NASA Perseverance получил это изображение местности перед собой с помощью передней правой  бортовой камеры A для предотвращения опасностей
Это изображение было получено 23 августа 2025 года (1603 сол) в 13:54:41 по местному среднему солнечному времени.

Источник изображения: NASA/JPL-Caltech
https://mars.nasa.gov/mars2020/multimedia/raw-images/FRF_1603_0809251212_237ECM_N0784716FHAZ02008_03_095J

Ровер после 21 августа (1601 сол) не менял свое местоположение.