Intelsat 27 - Зенит-3SL/ДМ-SL - 01.02.2013 06:56 UTC - Sea Launch - Авария

Автор Salo, 08.11.2012 00:42:07

« предыдущая - следующая »

0 Пользователей и 1 гость просматривают эту тему.

Штуцер

Стабилизатор входит в БИМ или двигатель?
Но в виде обломков различных ракет
Останутся наши следы!


Вован

ЦитатаШтуцер пишет:
Стабилизатор входит в БИМ или двигатель?
Входит в БИМ
Байконур надолго - навсегда

Друп

ЦитатаВован пишет:
Если отказал непроверяемый в МИКе стабилизатор давления керосина, что стоит перед керосиновой турбиной БИМ, то он мог сливать керосин обратно в двигатель мимо турбины. Фильтры масла вряд ли забились, их проверяли. А фильтра керосина в БИМ нет
Не пиши чушь! Фильтр там стоит на трубопроводе отбора керосина на привод гидротурбины БИМа с первой ступени насоса горючего, по типу 11Д123.


Штуцер

Но в виде обломков различных ракет
Останутся наши следы!

Вован

ЦитатаДруп пишет:
ЦитатаВован пишет:
Если отказал непроверяемый в МИКе стабилизатор давления керосина, что стоит перед керосиновой турбиной БИМ, то он мог сливать керосин обратно в двигатель мимо турбины. Фильтры масла вряд ли забились, их проверяли. А фильтра керосина в БИМ нет
Не пиши чушь! Фильтр там стоит на трубопроводе отбора керосина на привод гидротурбины БИМа с первой ступени насоса горючего, по типу 11Д123.
Ух! Глазастый! Заметил! А я нет ... :(
Байконур надолго - навсегда

ZOOR

02.02.2013 17:21:59 #447 Последнее редактирование: 02.02.2013 17:53:20 от ZOOR
ЦитатаВован пишет:
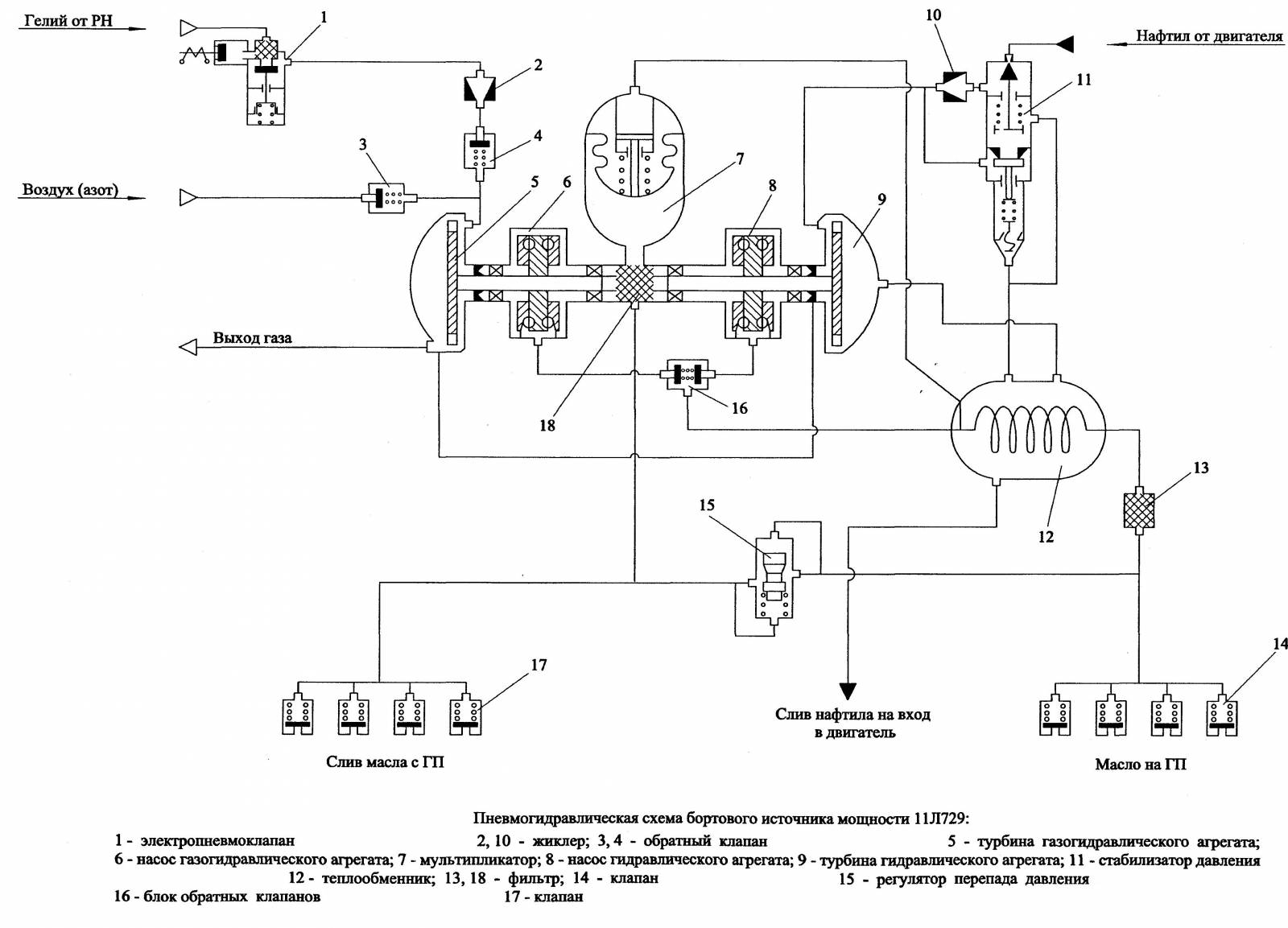
ПГС БИМ

 


ЦитатаAK222 пишет:

 
 

 
 






PS  Мы щас тут Зенит разрисуем, а через три года он в китайско-северокорейском варианте полетит :)
Я зуб даю за то что в первом пуске Ангары с Восточного полетит ГВМ Пингвина. © Старый
Если болит сердце за народные деньги - можно пойти в депутаты. © Neru - Старому

Вован

Байконур надолго - навсегда

instml

Роскосмосу тоже вставят

Роскосмосу дали две недели на расследование причин ЧП с "Зенит-3SL"

МОСКВА, 2 фев -- РИА Новости. Премьер-министр РФ Дмитрий Медведев поручил руководителю Роскосмоса Владимиру Поповкину до 15 февраля доложить о результатах расследования причин аварии при пуске с "Морского старта", сообщила в субботу пресс-служба правительства.

Запуск в рамках проекта "Морской старт" (Sea Launch) в пятницу завершился неудачей. По предварительным данным, в результате аварийного отключения двигателя первой ступени, которое произошло на 60-й секунде полёта, ракета-носитель "Зенит-3SL" со спутником связи Intelsat-27 упали в Тихий океан. Плавучая платформа "Одиссей" в Тихом океане, откуда был осуществлен запуск, не пострадала. Ранее источник в ракетно-космической отрасли сообщил РИА Новости, что авария ракеты, скорее всего, произошла из-за сбоя в системе управления.

"Руководителю Федерального космического агентства Владимиру Поповкину поручено организовать в установленном порядке расследование причин аварийного пуска и до 15 февраля с.г. доложить о результатах с необходимыми выводами и предложениями, включая предложения об ответственности должностных лиц и организаций", -- говорится в релизе.

Кроме того, вице-премьеру РФ Дмитрию Рогозину поручено обеспечить установление причин инцидента, а также проработать вопросы выполнения законодательства РФ в области космической деятельности при осуществлении подготовки и проведения запуска.

http://ria.ru/science/20130202/920962840.html
Go MSL!

Вован

Байконур надолго - навсегда

joint831


мастер_лукьянов

02.02.2013 18:23:32 #452 Последнее редактирование: 02.02.2013 19:53:36 от мастер_лукьянов
дубль

Aleks1961

Вопрос чисто теоретический - циклограмму запуска и сам 171М не форсировали для этого пуска в связи с максимальной массой КА для Зенит 3SL указанной как 6100 кг в FAA-Licensed Vehicles Launched?
Серпухов-Мирный-Харьков-Днепр

Вован

Байконур надолго - навсегда

Aleks1961

Office of Commercial Space Transportation FACT SHEET CY 2011 Year in Review


FAA-Licensed Vehicles Launched in CY 2011 SEA LAUNCH Vehicle Zenit 3SL
10-Year Launch Reliability 23/24 (96%)
Maximum GEO Capacity - kg (lbs) 6,100 (13,448)

http://www.faa.gov/about/office_org/headquarters_offices/ast/launch_license/active_licenses/media/LLO_02-066(Rev1)_OrderAB(Rev2).pdf
Серпухов-Мирный-Харьков-Днепр

мастер_лукьянов

02.02.2013 19:18:16 #456 Последнее редактирование: 02.02.2013 19:47:22 от мастер_лукьянов
ЦитатаВован пишет:
Ну и еще и этот БИМ до кучи
 http://ifotki.info/13/fbb62a4b084216d8c1bcbbdf31a09cf65f49a7142476448.jpg.html

SFN

ЦитатаВован пишет:
Поскольку картинку ПГС БИМ вставить не удается, поясню на словах, что газовая турбина и ее насос в МИК проверяются, а керосиновая турбина и ее насос - нет.

mihalchuk

Цитатаjoint831 пишет:
Джерело потужности, бга-га-га!
Не смешно. С какого времени они ведут документацию и оформляют надписи на мове? Потенциальная причина пары пусков за бугор.

m-s Gelezniak

Цитатаmihalchuk пишет:
Цитатаjoint831 пишет:
Джерело потужности, бга-га-га!
Не смешно. С какого времени они ведут документацию и оформляют надписи на мове? Потенциальная причина пары пусков за бугор.
Это выставочный образец.
Шли бы Вы все на Марс, что ли...