Передатчики первого спутника.

Автор Salo, 09.10.2007 09:24:09

« назад - далее »

0 Пользователи и 1 гость просматривают эту тему.


lll

Петровичу
http://epizodsspace.testpilot.ru/bibl/syromatnikov/100/04.html
...Электрическое напряжение с датчиков ТДТ и ТДД подается на радиопередатчики, сигналы которых модулируют ширину выходных импульсов, обеспечивая таким образом телеизмерения температуры и давления....

Petrovich

2 III - Спасибо, а то я поискал у себя на компе общую эл.схемку,
но не нашел :cry: , хотя она там была... Память блин !
Кстати Вы как собираетесь повторить схемы передатчиков
- досконально вплоть до ламп и резисторов того времени?
- или на современной элементной базе, ес-но на лампах
аналогах по параметрам?
- или на транзисторах ( об ОУ даже не спрашиваю :D )?
может мы те кого коснулся тот (еще) энтузиазм...


Salo

#24
Цитироватьlll пишет:

to Salo

это, конечно интересно, Ваша информация, спасибо...но с некоторыми людьми приходилось даже...
Вопрос не о том. И вопрос в том, где прочитать, как устроен был передатчик - предположим, я - старый радолюбитель (как Старый - старый военный ) и хочу ВОСПРОИЗВЕСТИ эти несчастные передатчики - про то вопрос - про схему и устройство. Конечно, прежде чем вопрос задавать, я проискал всё что можно Поскольку тут на форуме - спецы, и, что важно, старые спецы - пытаюсь понять как делали передатчики. Такой вот у меня цибиз - то про Луну-3 хочу понять, то про Спутник - бывает и хуже

Так я только за!!!
Но к сожалению не нашёл никакой информации.
Грингауз умер в 1993 году. Жив ли Лаппо не знаю.
Думаю какая-то информация должна быть в РНИИ КП (НИИ-885).
А за электросхему спасибо Вам, Хлынину и конечно Сыромятникову.



ЦитироватьАппаратура спутника состоит из следующих основных частей:

— 3 аккумуляторные батареи (АБ),

— датчик (контакт) отделения (КО) от ракеты-носителя,

— термореле (ТР),

— вентилятор (В),

— датчики температуры (ТДТ) и давления (ТДД),

— радиопередатчики РП1 и РП2, работавшие на частоте 300 и 400 МГц, с телеметрическими модуляторами,

— дистанционный переключатель (ДП).

Система электропитания (СЭП) обеспечивается тремя серебряно-цинковыми АБ (весом 17 кг каждая), две — для питания передатчиков, одна — для остальной аппаратуры. Контакты КО и ДП управляют включением борта (СУБА).

ДП представляет собой электромагнитное реле с двумя обмотками и механической фиксацией. При протекании импульсного тока во включающей обмотке нормально открытые контакты замыкаются. По замыканию КО срабатывает ДП, который подключает АБ к аппаратуре, в том числе включаются РП1 и РП2, передающие звуковой радиосигнал (бип-бип), содержащий закодированную телеметрическую информацию.

Электрическое напряжение с датчиков ТДТ и ТДД подается на радиопередатчики, сигналы которых модулируют ширину выходных импульсов, обеспечивая таким образом телеизмерения температуры и давления.

Отмечу, что, начиная со спутника, контакт отделения КО, по сигналу которого фактически начинается космический полет, стал применяться на в сех космических аппаратах.

Внешняя поверхность, аппаратура и внутренняя конфигурация в сего спутника проектировались под настоящие космические условия. Внешний теплообмен обеспечивался подбором так называемых оптических коэффициентов наружных поверхностей, внутреннее терморегулирование — вентилятором. Внутри герметичного корпуса воздух в условиях невесомости не передает тепло путем конвекции теплых и холодных слоев; аппаратура спутника требовала охлаждения и сброса тепла в открытое космическое пространство. При повышении температуры свыше 36°С реле ТР включало вентилятор, который создавал воздушный поток для охлаждения аппаратуры. При уменьшении температуры ниже 20°С реле ТР выключало вентилятор. Все эти компоненты, обеспечивающие нормальный температурный режим для остальной аппаратуры, стали первой космической системой терморегулирования (СТР), рассчитанной на то, чтобы работать на спутнике, летающем в вакууме, в прямых солнечных лучах и в тени Земли.

Все это сработало нормально, как предсказывала земная наука и подтвердила телеметрическая информация, закодированная в тех самых знаменитых радиосигналах бип-бип.
"Были когда-то и мы рысаками!!!"

lll


lll

2 Salo
Кроме этих лекций, есть ли еще что?
Это, конечно, теоретически, понятно...поподробнее бы, с указанием элементной базы..
А то - прямо стыд - народ вопрошает, а что ответить?

Petrovich

А это не в ,,Энергии,, висит ?
Боюсь что никто не разрешит покопатся :cry:
Отец у меня лет 10 назад отреставрировал вплоть до ламп
радиоприемник 50-х , тогда я его не очень понял (хотя доставание
ламп того времени - просто песня ). Да и сам лет уже 25 все
мечтаю собрать ламповый УНЧ (звук совсем другой - кто слышал),
но далее выбора схем дело не шло (как представлял себе намотку
выходных трансформаторов, то Бр-р ).
может мы те кого коснулся тот (еще) энтузиазм...

Salo

#28
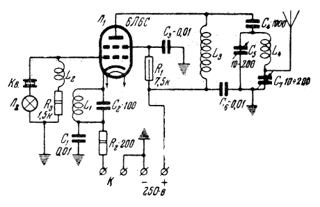
Думаю элементная база должна быть аналогична Р-105Д.
Только сам передатчик проще, т.к. использовалась широтно-импульсная модуляция вместо частотной, да и диапазон не перестраивался.

http://rw6ase.narod.ru/r/r105/r105d.html
http://www.rustrana.ru/article.php?nid=27630



Или отсюда http://www.cqham.ru/oldradio/main.htm
"Были когда-то и мы рысаками!!!"

Salo

"Были когда-то и мы рысаками!!!"

lll

Мне кажется, 6Л6С не должны были использовать. Хотя, кто их знает - потому и вопрос, - ИМХО, там или должна быть вообще "батарейная" лампа быть (какая-нибудь миниатюрная да и вообще еще с какой-нибудь повышенной надежностью) или уж "Жёлудь" или хоть с  замком - ну вель не радиохулиганы же делали :)

lll

2 Stealth
...Д-200.. в немецкой ..педии
ну, немцам простительно блок-то "Д" и аолезн.нагрузка "200 " - железная немецкая логика :)


Salo

#33
Армейские УКВ радиостанции 57 года выпуска
http://www.rustrana.ru/article.php?nid=27630
ЦитироватьР105М, Р108М, Р109М - переносные, ранцевые УКВ радиостанции, отличающиеся друг от друга только диапазоном частот, который перекрывает следующие участки:
Р109М 21500 - 28500 кГц

Р108М - 28500 - 36500 кГц

Р105М - 36000 - 46100 кГц

Радиостанции работают в симплексном режиме, имеют частотную модуляцию.
Основные технические характеристики радиостанций :


Номинальное напряжение питания :
4.8 В (2х 2.4 В)

Источник питания :
4 х КН14 или
2 х 2КНП20
вибропреобразователь
в анодное напряжение


Выходная мощность передатчика :
не менее 1 Вт
"Были когда-то и мы рысаками!!!"

Salo

#34
Вес двух передатчиков в 3,5 кг скорее всего говорит о том , что они были ламповые. Транзисторные были легче.
А схему я привёл радиолюбительской КВ радиостанции 55 года мощностью 7 ватт.http://www.cqham.ru/oldradio/begtx.htm



ЦитироватьПростейший передатчик начинающего коротковолновика

Начинающему коротковолновику, не имеющему еще достаточного опыта в сборке, налаживании и эксплуатации сложных многокаскадных передающих устройств, необходимо начинать с постройки передатчика со стабилизацией кварцем.

Простейшим является однокаскадный передатчик с кварцевой стабилизацией; Для упрощения налаживания и настройки выбрана схема с электронной связью с включением кварца в цепи сетка—катод. Принципиальная схема такого передатчика изображена на рисунке. Катушки индуктивности L1, L2, L3— по 2,5 мкн. Данные катушки L3 для разных диапазонов следующие:

для 160-метрового диапазона—65 витков провода диаметром 0,65 мм, желательно с двойной шелковой изоляцией диаметр каркаса 37 мм, намотка сплошная;

для 80-метрового диапазона.—32 витка провода диаметром 0,8 мм, длина намотки 38 мм, диаметр каркаса 37 мм.

Для работы на указанных диапазонах необходимо иметь всего один кварц на частоты в пределах 160-метрового любительского диапазона.

После сборки такой передатчик начинает работать сразу, не требуя никакой регулировки. Одним из достоинств этого передатчика является также и то, что он может работать с антенной- любого типа, хотя лучше всего применять наклонный луч.

Настройка передатчика крайне проста и производится в таком порядке. Подключают к передатчику антенну и питание и устанавливают конденсатор С5 на максимум его емкости; затем изменением емкости конденсатора С7 добиваются уменьшения анодного тока, что будет служить признаком настройки анодного контура в резонанс с частотой кварца или с одной из его гармоник.

Описываемый передатчик при работе на основной частоте кварца обеспечивает в анодном колебательном контуре мощность порядка, 7 вт, а при работе на второй гармонике (на 80-метровом диапазоне) — около 5 вт.
Здесь таких много http://www.cqham.ru/oldradio/main.htm
"Были когда-то и мы рысаками!!!"

Salo

Скорее всего были два простейших передатчика, на одной лампе, может со стабилизацией кварцем. Накал от батареи, анодное напряжение через вибропреобразователь или диодный умножитель напряжения.
"Были когда-то и мы рысаками!!!"

Stealth

ЦитироватьМне кажется, 6Л6С не должны были использовать. Хотя, кто их знает - потому и вопрос, - ИМХО, там или должна быть вообще "батарейная" лампа быть (какая-нибудь миниатюрная да и вообще еще с какой-нибудь повышенной надежностью) или уж "Жёлудь" или хоть с  замком - ну вель не радиохулиганы же делали :)
6Л6С там точно не применяли -- слишком большая и прожорливая:


А была там, естественно, какая-то из батарейных ламп, кроме батарей на ПС-1 ничего другого и не было...

 :D  :D  :D


Stealth

Цитировать...те неясные картинки и фотки макета Спутника, что есть, я, к сожалению не в России сейчас и макет ну никак не могу посмотреть, демонстрируют тёмныё Т-образный предмет - внутри батареи который размещался...
Это он и есть-- ПЕРЕДАТЧИК !!! Вернее ДВА!!!

ЦитироватьКроме того, наводит на мысль волшебная цифра - 1 Ватт мощности, - очень характерно для транзисторного, но не лампового...
На сколько нужно, на столько и можно сделать, -- хоть на лампах, хоть на транзисторах!

ЦитироватьКроме того, воспоминания от том, что Грингауз настоял на 15-метровом диапазоне....
А в чём проблема? Чем больше аудитория, тем лучше!

ЦитироватьКроме того - конструкция, что включался то один, то другой передатчик (включался - а накал? Постоянно держали? - чушь какя-то) опять, очень характерно для транзисторного, но не лампового...
А как иначе? Переключение между передатчиками каждые 0,3 секунды -- накал приходится держать горячим всё время.

ЦитироватьКроме того, терзают меня сомнения, что были аккумуляторные батареи, а не просто серебряно-цинковые элементы..  Может, писатели перепутали
А чем серебряно-цинковые элементы плохи?? Самые ёмкие и выносливые. И какие аккумуляторы там должны были стоять? И зачем???

ЦитироватьКпоме того, сказано, три батареи, специально разработанные - одна для реле, две - для каждого передатчика своя..опять, терзают меня сомнения - очень характерно для транзисторного, но не лампового...
Для лампового обычно - две батареи - накальная и вольт хотя бы на 120 -150...
Есть лампы с анодным напряжением всего 30 вольт. Одна батарея накальная, одна анодная и одна для вентилятора... Или ещё как по другому...

ЦитироватьКроме того, написано, что изготовили только шесть экземпляров.. мало.. ламповых бы наклепали - мне только скажи - ну уж больше шести..
Кпоме того - написано, что тренировали Пункты Приёма принимать сигнал, аодвешивая передатчик на тросе с вертолёта и ОЧЕНЬ радовались дальности приёма ..опять, очень характерно для транзисторного, но не лампового...
Нужно было шесть -- шесть и сделали, может где и ещё в заначке было, а нам и не сказали... Передатчик, поднятый на самолёте принимали на Дальнем Востоке -- вот и радовались -- разве плохо? А один ватт он один ватт и есть -- хоть с лампы, хоть с транзистора.

ЦитироватьБратья и сестры, кто владеет информацией - поделитесь, слёзно прошу и умоляю.. КАКОЙ же был, он, передатчик?
Цитировать2 Stealth
...Д-200.. в немецкой ..педии
ну, немцам простительно блок-то "Д" и аолезн.нагрузка "200 " - железная немецкая логика :)
Я чего-то недопонимаю что ли?  :?
lll, вы хотите схему, вы даже слёзно просите и умоляете.., а когда я вам даю зацепку-подсказку, то вы зубоскалите в ответ... :?  :?
хм, наверное, мои дальнейшие находки я оставлю при себе... мне тоже интересно увидеть схему ПС-1.

lll

2 Stealth

Вы неправильно поняли, я не зубоскалю, я просто поделился сомнениями - вроде, тоже сначала думал про ламповый, но потом, как прочел про транзисторный преобразователь, так и засомневался.

Про АККУМУЛЯТОРЫ написано в лекциях и воспоминаниях, но зачем аккумуляторы, да и на картинке, вроде, элементы.

Далее написано, что сделали три одинаковые батареи, одна - для реле, две других для двух передатчикоа. Опять-таки у даже 30-вольтовых ламп не холодный же катод. Нигде нет указания, что две батареи для каждого рередатчика. Ну и 30-вольтовые реле - просто когда рассмотреть все в совокупности - вот и засомневался.

Дальше - передатчик на тросе на вертолете и приём на Дальнем Востоке. Да даже уже в то время эти диапазоны освоены были. И прекрасно знали, что такой мощности достаточно - но (!) таскали на вертолете. Зачем ...тоже подумалось, что. если только уж новая конструкция (на транзисторах) - ну это орять-таки предположения.

Ну и переключение 0.3 секунды. - если лампы - значит, накал постоянный , и, по-моему, без электромеханических преобразователей, а это - всё время работы спутника...
не уверен, что просто хватит ёмкости батареи накал держать...

Это просто сомнения...

Ну и про 15 метровый диапазон. Это отличная идея, но (!) в ту жу массу надо было упихпть уже два передатчика - опять-таки наводит на мысль о транзисторах.

Но, может, я просто брежу..
Просто, если суммировать всю информацию, что есть в пересказах всех корреспондентов и писателей, придется предположить, что много они ошибок сделали и одинаковых - и про батареи  и про остальное..

Вроде, и вопрос-то простой, но хотелось бы знать наверняка
Извините, если что не так