ОТГАДАЙКА

Автор ronatu, 11.09.2005 10:18:52

« назад - далее »

0 Пользователи и 2 гостей просматривают эту тему.

Братушка

Это ПВМ - противовертолётная мина.  :)
Жизнь человека коротка - но мало не покажется..

olenellus

А это что за КК?  :wink:


SFN

ЦитироватьА это что за КК?  :wink:

однако тема пошла кругами ))))

http://www.novosti-kosmonavtiki.ru/phpBB2/viewtopic.php?p=803259#803259

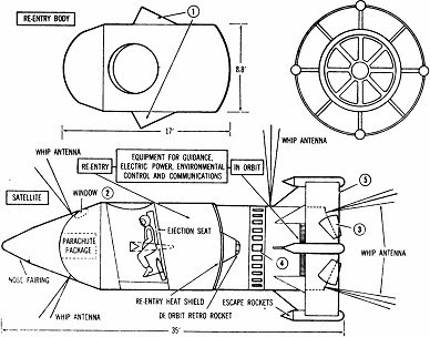
снято было 1961г на параде в Тушино. 4-я эскадрилья 696-го полка работала по темам «Восток» и «Зенит». Это тренировочная болванка.

Штуцер

Но в виде обломков различных ракет
Останутся наши следы!

SFN


Lanista

какой и где?

Vikt(or)

Какой это легко.

Мы запомним только то, что полюбим.
Мы полюбим только то, что поймем.
Мы поймем только то, что изучим и познаем.
В. И. Севастьянов

Leroy

Цитироватькакой и где?
Видимо, это Аланг (Индия), печально известный «берег мертвых кораблей», где "Комаров" нашел свой конец.  :(

Lanista

Цитировать
Цитироватькакой и где?
Видимо, это Аланг (Индия), печально известный «берег мертвых кораблей», где "Комаров" нашел свой конец.  :(
Нет. Когда была сделана фотография он еще во всю работал по назначению.

Андрей Суворов

Могу предположить, что это Гавана. Очертания берега позволяют это утверждать. не со 100% уверенностью, но...

я там был. правда, сильно позже, чем КВК

SFN

ЦитироватьМогу предположить, что это Гавана. Очертания берега позволяют это утверждать.
и очертания машины на переднем плане)))

Кубик

Эх, грустно в такой день... Я на нем в Ильичевске работал.
И бесы веруют... И - трепещут!

Lanista

Гавана, да, я уж и не надеялся что на машину кто-нибудь посмотрит =)
но по очертаниям берега определить...

Андрей Суворов

ЦитироватьГавана, да, я уж и не надеялся что на машину кто-нибудь посмотрит =)
но по очертаниям берега определить...
могу поискать дома фотку, сделанную практически с той же точки :) но в 2007 году.

Petrovich

Итак... во первых что это ?
Н у и во вторых, чье есть чье ?




я тут кое-кому послал, погодите, пусть погадают   :D
может мы те кого коснулся тот (еще) энтузиазм...

Дмитрий В.

ЦитироватьИтак... во первых что это ?
Н у и во вторых, чье есть чье ?




я тут кое-кому послал, погодите, пусть погадают   :D

Это КС ЖРД A-4. Это во-первых.
Lingua latina non penis canina
StarShip - аналоговнет!

Ded

Светильник в кабаке, а выглядит как форсуночная головка...
Все возможно

Дмитрий В.

Подозреваю, что вверху немецкий экземпляр из Ле Бурже, а внизу - российский РД-100 может быть из музея ГДЛ (СПб). :roll:
Lingua latina non penis canina
StarShip - аналоговнет!

Petrovich

ЦитироватьЭто КС ЖРД A-4. Это во-первых.
Ну если А-4 то же что и Р-1 , то одна да, на фотках присутствует.
А дальше ? Фото всего две, то 50% уже...
может мы те кого коснулся тот (еще) энтузиазм...

abl22

На верхнем фото - ФГ двигателя РД-101. Отличался от прародителя медным(!) штампованным кольцевым экраном внутри форкамеры на месте радиальных отверстий для формирования пояса завесы. Экран крепился шестью латунными(!!) винтами. Это наиболее заметное отличие от камеры А4/РД-100, которая на втором фото.